Hey! I’m Soheil Kavian.
Mechanical Engineer with a Ph.D. and over seven years of experience in heat transfer modeling, computational fluid dynamics (CFD), fluid mechanics, and thermodynamics. My doctoral research focused on designing supercooling systems for cryopreservation, investigating vitrification and supercooling of solutions at cryogenic temperatures, and optimizing heat transfer processes. I developed the TRNSYS MO software, enabling the optimization of complex energy systems, including solar energy, geothermal systems, and heat pumps. Building on a strong foundation from my Master’s studies in energy-efficient, sustainable, and HVAC systems design, I have expanded my expertise to address challenges in various thermodynamic applications. Furthermore, during my Ph.D. research, I gained valuable experience with machine learning techniques, including artificial neural networks (ANN) and semantic segmentation for image processing.
J. Mike Walker '66 Department of Mechanical Engineering, Texas A&M University, College Station, TX, USA
Design, CFD simulation, and optimization of heat transfer and geometric configurations for heat exchangers
Initiated and developed TRNSYS Multi-Objective Optimization (TRNSYS MO) software as an independent project
Texas Injection Molding
Performance analysis and transient simulation of a vapor compression cooling system integrated with phase change material storage
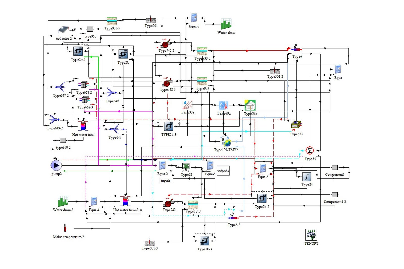
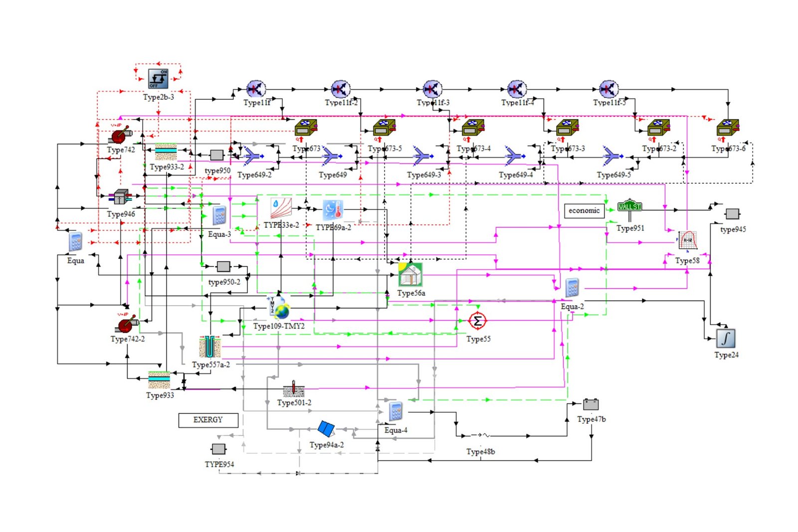
Design, simulation, and Techno-economic analysis of a hybrid solar, geothermal district heating system for a village
Annual heating and cooling load analysis, Designed air handling unit ducts, pipes, channels, chillers, hot water boilers, and mechanical rooms
Doctor of Philosophy in Mechanical Engineering
M.Sc. Degree in mechanical engineering-Energy Conversion
-
Jafari Mosleh, P. Behnam, M. Abbasi, O. Mohammadi, S. Kavian, P. Ahmadi, and M. A. Rosen, “A comprehensive comparative investigation on solar heating and cooling technologies from a thermo-economic viewpoint – A dynamic simulation ” Energy Science & Engineering, 2020. (Accepted)
-
H. Zolfagharnasab, C. Aghanajafi, S. Kavian, N. Heydarian, and M. H. Ahmadi, “Novel Analysis of Second Law and Irreversibility for a Solar Power Plant Using Heliostat Field and Molten Salt,” Energy Science & Engineering, 2020. https://doi.org/10.1002/ese3.802
-
Kavian, C. Aghanajafi, H. Jafari Mosleh, A. Nazari, and A. Nazari, “Exergy, economic and environmental evaluation of an optimized hybrid photovoltaic-geothermal heat pump system,” Applied Energy, 2020. https://doi.org/10.1016/j.apenergy.2020.115469
-
Kavian, A. Hakkaki-Fard, and H. Jafari Mosleh, “Energy Performance and Economic Feasibility of Hot Spring-Based District Heating System – A Case Study,” Energy, 2020. https://doi.org/10.1016/j.energy.2020.118629
-
Sabzpoushan, H. Jafari Mosleh, S. Kavian, M. Saffari Pour, O. Mohammadi, C. Aghanajafi, and M. H. Ahmadi, “Nonisothermal two‐phase modeling of the effect of linear nonuniform catalyst layer on polymer electrolyte membrane fuel cell performance,” Energy Science & Engineering, 2020. https://doi.org/10.1002/ese3.765
-
Nazari, Kavian, and A. Nazari, “Lithium-Ion Batteries’ Energy Efficiency Prediction Using Physics-Based and State-of-the-Art Artificial Neural Network-Based Models,” Journal of Energy Resources Technology, vol. 142, no. 10, 2020. https://doi.org/10.1115/1.4047313
-
Kavian, C. Aghanajafi, and N. Dizadji, “Transient simulation and multi-objective optimization of a VSD ground source heat pump in various usage,” Energy Conversion and Management, vol. 197, p. 111847, 2019. https://doi.org/10.1016/j.enconman.2019.111847
-
Kavian, M. Saffari Pour, and A. Hakkaki-Fard, “Optimized design of the district heating system by considering the techno-economic aspects and future weather projection,” Energies, vol. 12, no. 9, p. 1733, 2019. https://doi.org/10.3390/en12091733
-
Kavian, C. Aghanajafi, and N. Dizadji, “Techno-economic analysis of different refrigerants during transient state operation in a ground source heat pump ” presented at the 3rd Conference Development Energy Infrastructure With the approach of developing water, oil, gas, electricity and nanotechnology engineering technology, Iranian Energy Institute, Tehran, 2019. https://www.en.civilica.com/Paper-IRCIVILC03-IRCIVILC03_014.html
-
Kavian, S. and Powell-Palm, M.J., 2024. Limits of pressure-based ice detection during isochoric vitrification. Cryobiology, 115, p.104905. https://doi.org/10.1016/j.cryobiol.2024.104905
-
Kavian, S., Sellers, R., Berrospe-Rodriguez, C., Alvarez, C., Velasco, F.D., Smith, H.B., Aguilar, G. and Powell-Palm, M.J., 2024. An isochoric optical platform for interrogation of aqueous glass formation processes. RSC advances, 14(47), pp.34594-34605. https://doi.org/10.1039/D4RA03530E
-
ANSYS Fluent
-
COMSOL Multiphysics
-
TRNSYS
-
Solid Works
-
onshape
-
AutoCAD
-
EnergyPlus
-
HAP
-
FEFLOW
-
Tecplot
-
Matlab
-
Python
-
Fortran
-
C++
-
EES
-
HTML, CSS, PHP
-
MQL5
-
MQL4
-
English
-
Persian
-
Mechanical Design (Autocad, Solid Works, onshape)
-
OriginPro
-
SEO (Search Engine Optimization) Developer
-
Technical knowledge of Installing, configuring and administering network technologies (Linux and Windows Server)
-
Web design (Wordpress)
-
Adobe Photoshop

Simulation of transient cooling and warming


Semantic Segmentation Deep Learning

Image Processing/Machine Learning









compression cooling system integrated with PCM
Performance analysis and transient simulation of a vapor compression cooling system integrated with phase change material storage for electric load shifting (Programming in EES Software).

geothermal springs
The project of the Techno-Economic Comparison of Different Scenarios of District Heating systems by Using geothermal springs.

geothermal springs
Simulation in Feflow program: The project of the Techno-Economic Comparison of Different Scenarios of District Heating systems by Using geothermal springs.

geothermal springs
Simulation in Feflow program: The project of the Techno-Economic Comparison of Different Scenarios of District Heating systems by Using geothermal springs.

Hybrid Plate collector District heating system
Project of the Techno-Economic Comparison of Different Scenarios of District Heating systems by Using geothermal springs.

Hybrid Plate collector District heating system
Project of the Techno-Economic Comparison of Different Scenarios of District Heating systems by Using Air heat pumps.

Hybrid Parabolic collector District heating system
Project of the Techno-Economic Comparison of Different Scenarios of District Heating systems by Using geothermal springs.

District heating system simulation
Project of the Techno-Economic Comparison of Different Scenarios of District Heating systems by Using geothermal springs and Optimized Design of the District Heating System by Considering the Techno-Economic Aspects and Future Weather Projection

solar heating and absorption cooling
The project of the Comparison of Thermo-economic analysis of different cooling systems (vapor compression, absorption, and ejector cooling systems).

Techno-economic study of a combined solar PV
The project of the Exergy and economic evaluation and optimization of a hybrid photovoltaic-geothermal heat pump system.

Heat transfer in 2D plate by ADI-SOR method
Fortran Programming: Heat transfer in 2D plate by ADI-SOR method

A Finite Difference Code for Navier Stokes Equatio
Fortran Programming: A Finite Difference Code for Navier Stokes Equation in Vorticity Streamfunction

Temperature measurements of geothermal hot springs
Field visits and temperature measurements of geothermal hot springs at different depths
Thanks, your message is sent successfully.